
תיאור מוצר מפורט
| יתרון: | מהירות גבוהה | מהירות תיוג: | 60-200 יח '/ דקה |
|---|---|---|---|
| פוּנקצִיָה: | תיוג מדבקות דבק | חוֹמֶר: | פלדת אל - חלד |
| סוג בקבוק: | צנצנת תוויות בקבוקים עגולה אוטומטית | יישום: | לכל סוגי המכולות העגולות |
| Plc מותג: | מיצובישי (יפן | מנוע תיוג סרוו: | DELTA (טייוואן) |
מכונת תיוג יין אדום מכונת תיוג בקבוק יין, מערכת בקרת PLC מכונת תיוג מותג MITSUBISHI
תכונות:
1. פעולה: מערכת בקרת PLC הופכת את מכונת התיוג לקלה להפעלה
2. חומר: הגוף העיקרי של מכונת התיוג עשוי מפלדת אל חלד SUS304
3. תצורה: מכונות התיוג שלנו מאמצות חלקי מותג יפניים, גרמניים, אמריקאים, קוריאנים או טייוואן ידועים
4. גמישות: הלקוח יכול לבחור להוסיף מדפסת ומכונת קוד; יכול לבחור להתחבר לממיר או לא.
פרמטרים טכניים:
| שֵׁם | בקבוק יין עגול אוטומטי למכונת תיוג בקבוקים עגולה בשרוול במהירות גבוהה |
| מהירות תיוג | 60-350 יח '/ דקה |
| גובה האובייקט | 30-350 מ"מ |
| עובי האובייקט | 20-120 מ"מ |
| גובה התווית | 5-180 מ"מ |
| אורך התווית | 25-300 מ"מ |
| רולר תווית בקוטר פנימי | 76 מ"מ |
| רולר תווית קוטר חיצוני | 420 מ"מ |
| דיוק התיוג | ± 1 מ"מ |
| ספק כוח | 220V 50 / 60HZ 3.5KW |
| צריכת גז של מדפסת | 5 ק"ג / מ"ר (אם הוסף מכונת קידוד) |
| גודל מכונת התיוג | 2800 (L) × 1650 (W) × 1500 (H) מ"מ |
| משקל מכונת התיוג | 180 ק"ג |
תְצוּרָה
| לא. | חֵלֶק | מותג | כַּמוּת |
| 1 | PLC | מיצובישי (יפן) | 1 |
| 2 | ממיר ראשי | DANFOSS (דנמרק) | 1 |
| 4 | HMI | WEINVIEW (טייוואן) | 1 |
| 5 | מנוע תווית סרוו | דלתא (טייוואן) | 1 |
| 6 | נהג מנועי לתיוג סרוו | דלתא (טייוואן) | 1 |
| 7 | מנוע מסוע | HY (טייוואן) | 1 |
| 8 | תיבת הילוכים מנועית | HY (טייוואן) | 1 |
| 9 | מנוע בקבוק מחלק | GPG (טייוואן) | 1 |
| 10 | תיבת הילוכים של מנוע בקבוק מחלק | GPG (טייוואן) | 1 |
| 11 | מושל מהירות המנוע המפריד בין בקבוקים | GPG (טייוואן) | 1 |
| 12 | מנוע דיבר | GPG (טייוואן) | 1 |
| 13 | תיבת הילוכים מוטורית | GPG (טייוואן) | 1 |
| 14 | אובייקט לזהות עין קסם | OMRON (יפן) | 1 |
| 15 | סיב אופטי | OMRON (יפן) | 1 |
פרט מכונה:

32 חלקי מכונות תיוג עיקריים

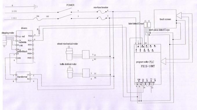
תרשים מעגל

שאלות נפוצות:
תווית 1 מקבל בועות
סיבות:
① לקלף את הלוח לא טוב / לא שטוח;
לוח המחרשה אינו טוב / לא שטוח;
תפוקת התיוג מהירה מדי או מהירות פס הייצור נמוכה מדי;
④ התווית נמשכת משוחררת מדי
פתרונות:
① החלף קליפה שטוחה מהלוח;
② החלף לוח מחרשה שטוח;
להאט את מהירות תפוקת התיוג או להגביר את מהירות פס הייצור;
④ השפיע כראוי על חגורת התווית.
תָג: מכונת תיוג תעשייתית, מכונת תיוג בקבוקי זכוכית









